|
|
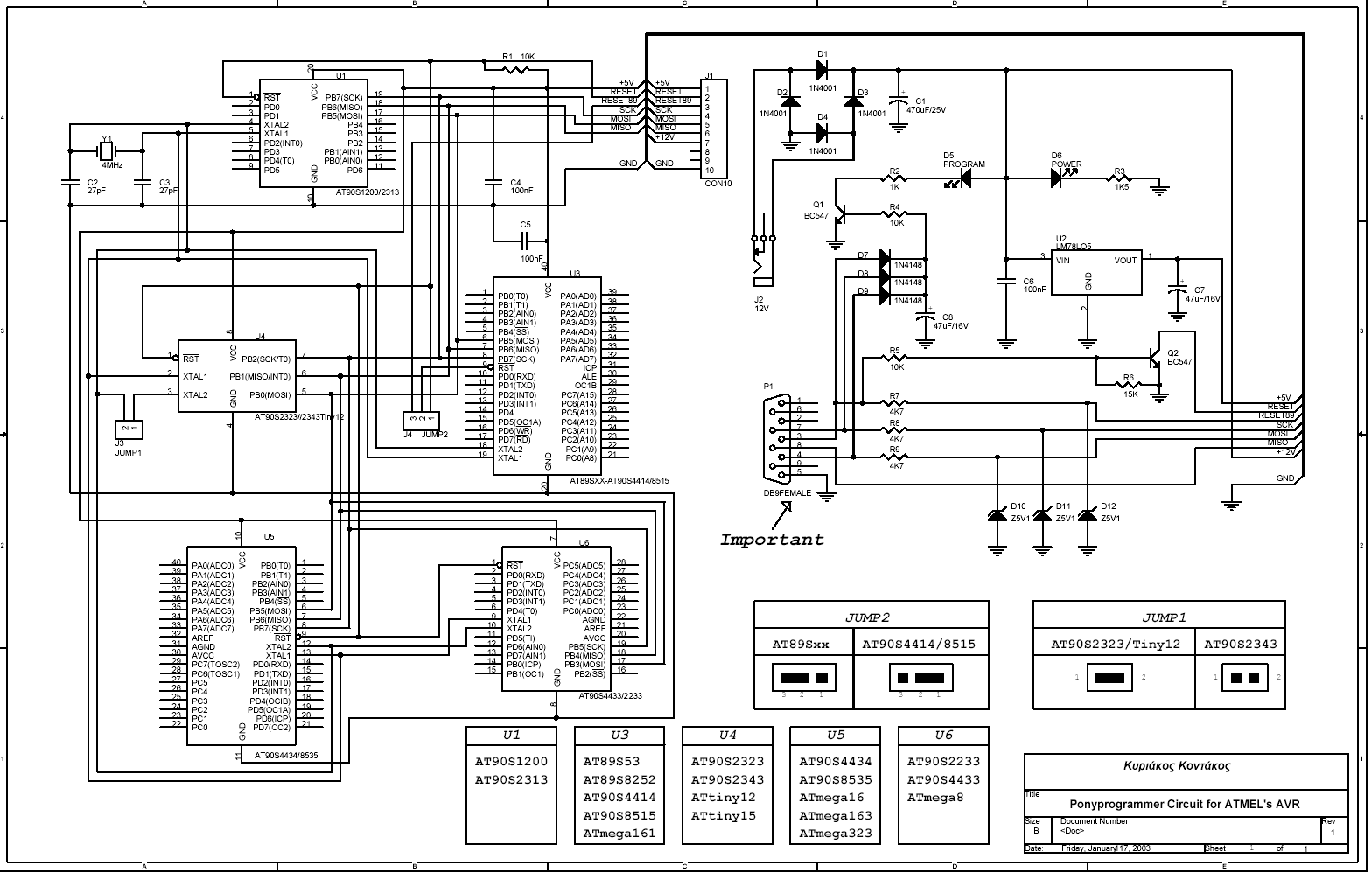
AVR ISP Programmer (In-Sytem programmer) for ATMEL
This AVR ISP original by ATMEL you can found on "AVR software
and technical Library - April 2003" CD-rom.It small component count I design new PCB and change some component that easy to build small PCB .The new firmware was writen by John Samperi for AT90S2313. This code can program more devices.

AVR ISP Programmer (In-Sytem programmer) for ATMEL
This AVR ISP original by ATMEL you can found on "AVR software
and technical Library - April 2003" CD-rom. It small component count I design new PCB and change some component that easy to build small PCB. The new firmware was writen by John Samperi for AT90S2313. This code can program more devices.

AVR LCD Thermometer LM35
The LM35 of National Semiconductors that is used in this project is a precision centigrade temperature sensor, which has an analog output voltage. It has a range of -55ºC to +150ºC and a accuracy of ±0.5ºC . The output voltage is 10mV/ºC . The output voltage is converted by the AD convertor of the AT Mega8. The temperature is displayed on an LCD module. In this example the thermometer has a range of 0ºC to 40ºC and a resolution of 0.5ºC. If you want to have a readout in Fahrenheit you can use the LM34.

AVR PC Stepper Motor Driver
With this circuit you can control two unipolair stepper motors in full step mode via the RS232 serial port of your PC. A terminal program such as Hyperterminal can be used to control the stepper motors. The stepper motors can be driven one at a time.
#
Drives two unipolair stepper motors in full step mode
#
Accepts commands via the serial port of your PC.
#
Can be used with any OS that has a standard terminal program such as Hyperterminal.
#
Drives stepper motors up to 24V, 500mA
#
Power supply ......................12-24 VDC

AVR Programmer
The ATMEL AVR programmer works with the Windows program "Ponyprog" which works under 95, 98, XP, ... and can be found at http://www.lancos.com/prog.html
On board the AVRs that can be programmed are those in the schematic. For other members of AVR family or the rest programmable ICs that Ponyprog can program, there is the J1 connector (CON10) which allows expanding the programmer's hardware. See Ponyprog's site for other's ICs Ponyprog circuits. The JUMP1 jumper is there to connect the crystal's circuitry to the 8-
pin AVRs or to disconnect it. Some AVRs have internal RC oscillator and an external XTAL is not allowed or needed.

AVR Programmer
This is a ery simple serial ISP progammer for AVR microprocessors. The schema can be found here. It is Sample Electronic Programmer compatibile and can be used with Bascom, WinAVR etc.
Previously I used programmer with only 330 ohm resistors in series with MOSI, RESET and SCK. It worked quite good, but in new version I used buffers to improve separation between LTP and AVR. In plans full galvanic isolation using optocouplers.

AVR Programmer
Here's AVR programmer for programming AVR microcontrollers such as the AT90S1200 via the parallel port. AVR programmer is extremely simple. IC1 provides buffering for the signals that travel from the parallel port to the microcontroller and vice versa. This is essentially everything that can be said about the circuit. The two box headers (K2 and K3) have the ‘standard’ ISP (in system programming) pinout for the AVR controllers. The manufacturer recommends these two pinouts in an attempt to create a kind of standard for the in-circuit programming of AVR microcontrollers. These connections can be found on many development boards for these controllers. The software of AVR programmer carries out the actual programming task.

AVR Programmer + Info
The AVR family of `micro-controllers' (uCs) have their own, non-volatile memory; your program and data are safe, even if all power is lost. These chips also contain most of what is needed to program them. If you connect an AVR to the parallel port of a PC loaded with the right software - a `programmer' - then PC and uC will happily talk each other through the procedure. Uploading a program to the chip takes just a few seconds and very little hardware. It can even be done while the uC is `in-circuit', sitting in the apparatus you want it to control. A program already in the chip can be erased by the same `programmer'; there is no need for ultra-violet light or a special power supply.

AVR Thermometer DS1621
This small thermometer board can be connected directly to PORTD of the AVR 2313 Project board. It uses the Dallas DS1621 Digital Thermometer and Thermostat chip. The DS1621 measures temperatures from -55° to +125° in 0.5° steps and doesn't need calibration or external components. It has also a build-in thermostat with high and low set-points which can be programmed by the user. Below you see the pin description of the DS1621.

AVR Thermometer TCN75
This small thermometer board uses the Microchip TCN75 device. It is a cheaper clone of the LM75, it costs about 2,50 Euro. The TCN75 comes in a SO8 packaging.
The TCN75 is a serially programmable temperature sensor. It has an output that is programmable as either a simple comparator for thermostat operation or as a temperature event interrupt. Hysteresis is also programmable.

|
|
|
| |
Accurate LC Meter
Build your own Accurate LC Meter (Capacitance Inductance Meter) and start making your own coils and inductors. This LC Meter allows to measure incredibly small inductances making it perfect tool for making all types of RF coils and inductors. LC Meter can measure inductances starting from 10nH - 1000nH, 1uH - 1000uH, 1mH - 100mH and capacitances from 0.1pF up to 900nF. The circuit includes an auto ranging as well as reset switch and produces very accurate and stable readings. |
|
PIC Volt Ampere Meter
Volt Ampere Meter measures voltage of 0-70V or 0-500V with 100mV resolution and current consumption 0-10A or more with 10mA resolution. The meter is a perfect addition to any power supply, battery chargers and other electronic projects where voltage and current must be monitored. The meter uses PIC16F876A microcontroller with 16x2 backlighted LCD. |
|
|
|
60MHz Frequency Meter / Counter
Frequency Meter / Counter measures frequency from 10Hz to 60MHz with 10Hz resolution. It is a very useful bench test equipment for testing and finding out the frequency of various devices with unknown frequency such as oscillators, radio receivers, transmitters, function generators, crystals, etc. |
|
1Hz - 2MHz XR2206 Function Generator
1Hz - 2MHz XR2206 Function Generator produces high quality sine, square and triangle waveforms of high-stability and accuracy. The output waveforms can be both amplitude and frequency modulated. Output of 1Hz - 2MHz XR2206 Function Generator can be connected directly to 60MHz Counter for setting precise frequency output. |
|
|
|
BA1404 HI-FI Stereo FM Transmitter
Be "On Air" with your own radio station! BA1404 HI-FI Stereo FM Transmitter broadcasts high quality stereo signal in 88MHz - 108MHz FM band. It can be connected to any type of stereo audio source such as iPod, Computer, Laptop, CD Player, Walkman, Television, Satellite Receiver, Tape Deck or other stereo system to transmit stereo sound with excellent clarity throughout your home, office, yard or camp ground. |
|
USB IO Board
USB IO Board is a tiny spectacular little development board / parallel port replacement featuring PIC18F2455/PIC18F2550 microcontroller. USB IO Board is compatible with Windows / Mac OSX / Linux computers. When attached to Windows IO board will show up as RS232 COM port. You can control 16 individual microcontroller I/O pins by sending simple serial commands. USB IO Board is self-powered by USB port and can provide up to 500mA for electronic projects. USB IO Board is breadboard compatible. |
|
|
|
|
ESR Meter / Capacitance / Inductance / Transistor Tester Kit
ESR Meter kit is an amazing multimeter that measures ESR values, capacitance (100pF - 20,000uF), inductance, resistance (0.1 Ohm - 20 MOhm), tests many different types of transistors such as NPN, PNP, FETs, MOSFETs, Thyristors, SCRs, Triacs and many types of diodes. It also analyzes transistor's characteristics such as voltage and gain. It is an irreplaceable tool for troubleshooting and repairing electronic equipment by determining performance and health of electrolytic capacitors. Unlike other ESR Meters that only measure ESR value this one measures capacitor's ESR value as well as its capacitance all at the same time. |
|
Audiophile Headphone Amplifier Kit
Audiophile headphone amplifier kit includes high quality audio grade components such as Burr Brown OPA2134 opamp, ALPS volume control potentiometer, Ti TLE2426 rail splitter, Ultra-Low ESR 220uF/25V Panasonic FM filtering capacitors, High quality WIMA input and decoupling capacitors and Vishay Dale resistors. 8-DIP machined IC socket allows to swap OPA2134 with many other dual opamp chips such as OPA2132, OPA2227, OPA2228, dual OPA132, OPA627, etc. Headphone amplifier is small enough to fit in Altoids tin box, and thanks to low power consumption may be supplied from a single 9V battery. |
|
|
|
|
|
Arduino Prototype Kit
Arduino Prototype is a spectacular development board fully compatible with Arduino Pro. It's breadboard compatible so it can be plugged into a breadboard for quick prototyping, and it has VCC & GND power pins available on both sides of PCB. It's small, power efficient, yet customizable through onboard 2 x 7 perfboard that can be used for connecting various sensors and connectors. Arduino Prototype uses all standard through-hole components for easy construction, two of which are hidden underneath IC socket. Board features 28-PIN DIP IC socket, user replaceable ATmega328 microcontroller flashed with Arduino bootloader, 16MHz crystal resonator and a reset switch. It has 14 digital input/output pins (0-13) of which 6 can be used as PWM outputs and 6 analog inputs (A0-A5). Arduino sketches are uploaded through any USB-Serial adapter connected to 6-PIN ICSP female header. Board is supplied by 2-5V voltage and may be powered by a battery such as Lithium Ion cell, two AA cells, external power supply or USB power adapter. |
|
200m 4-Channel 433MHz Wireless RF Remote Control
Having the ability to control various appliances inside or outside of your house wirelessly is a huge convenience, and can make your life much easier and fun. RF remote control provides long range of up to 200m / 650ft and can find many uses for controlling different devices, and it works even through the walls. You can control lights, fans, AC system, computer, printer, amplifier, robots, garage door, security systems, motor-driven curtains, motorized window blinds, door locks, sprinklers, motorized projection screens and anything else you can think of. |
|
|
|
|