|
|
| Schematics >>
Stereo Encoders and Decoders |
BH1415 HI FI Stereo Encoder
Latest BH1415 Stereo Encoder design from RHOM that includes a lot of great features in one small package. It comes with pre-emphasis, limiter so that the music can be transmitted at the same audio level, low pass filter that blocks any audio signals above 15KHz to prevent any RF interference and crystal based stereo encoder for stereo transmission.

BH1417 HI FI Stereo Encoder
BH1417 Stereo Encoder design from RHOM that includes a lot of great features in one small package. It comes with pre-emphasis, limiter so that the music can be transmitted at the same audio level, low pass filter that blocks any audio signals above 15KHz to prevent any RF interference and crystal based stereo encoder for stereo transmission.

NJM2035 Stereo Encoder / Multiplexer
This stereo encoder is the perfect solution for those looking for a high quality stereo sound transmission at a low cost. This stereo encoder produces an excellent crystal clear stereo sound and very good channel separation that can match with many more expensive stereo encoders that are available on the market. It is all possible thanks to a 38KHz quartz crystal that controls the 19kHz pilot tone, so you will never have to calibrate or re-adjust the circuit.

19 KHz MPX Low Pass Filter
This map, armored also enables automatic MONO / MPX through a low-pass filter, even with a multiplex on its entry by using an ON / ON, panning, the whole spectrum MPX more RDS is sent to the synthesizer, on the other hand when it is in a position MONO, the low-pass filter is activated and share its cutoff frequency at 15 KHz, only modulation G + D is sent to the synthesizer, as 19 KHz. 19 KHz carrier, the signal multiplex and subcarrier 57 KHz is thereby eliminated, which provides ease of use for example in a string of issue relay tuner, if the link between the issuer Departure and receiver re-issue was not of good quality stereo, you sufficient to switch to mono to improve sound quality, you can then connect the RDS encoder at the re-issuer.

BA1404 Stereo Encoder
BA1404 based stereo encoder.

FM Broadcasting Stereo Encoder
This stereo encoder is a halfway between analogue and digital processing. It combines the best from both domains to provide high-quality and easy to build device. The sampling frequency used in this stereo encoder is 97 times higher than the pilot tone frequency. This makes very easy to reject all spectral residues around the sampling frequency without affecting the main signal characteristics. Using of a microcontroller allows to build this stereo encoder with reduced part count and get excellent results in real operation. This stereo encoder advisedly does not contain any preemphasis circuit. Remember the key fact: a compressor/limiter/clipper device must be always present between the preemphasis circuit and the stereo encoder or modulator. Only this configuration ensures loud sound without exceeding the maximum frequency deviation limit (75 kHz). The stereo encoder is designed to provide really good sound. This always needs to use the compressor/limiter/clipper device where the preemphasis is precisely assured.

LM1310 FM Stereo Decoder
Converts your mono FM Receiver to stereo.

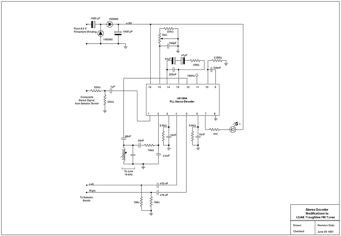
LM1800 Stereo Demodulator
Phase-Locked Loop FM Stereo Demodulator.

LM1800 Stereo Decoder
Stereo demodulator based on LM1800 IC.

NTE789 Stereo Decoder
The NTE789, a monolithic silicon integrated circuit, is a stereo multiplex decoder intended for FM multiplex
systems.
This stereo multiplex decoder requires only one low–inductance tuning coil (requires only one adjustment for
complete alignment), provides automatic stereo switching, energizes a stereo indicator lamp, and operates
from a wide range of voltage supplies.
![NTE789 Stereo Decoder]()
|
|
|
| |
Accurate LC Meter
Build your own Accurate LC Meter (Capacitance Inductance Meter) and start making your own coils and inductors. This LC Meter allows to measure incredibly small inductances making it perfect tool for making all types of RF coils and inductors. LC Meter can measure inductances starting from 10nH - 1000nH, 1uH - 1000uH, 1mH - 100mH and capacitances from 0.1pF up to 900nF. The circuit includes an auto ranging as well as reset switch and produces very accurate and stable readings. |
|
PIC Volt Ampere Meter
Volt Ampere Meter measures voltage of 0-70V or 0-500V with 100mV resolution and current consumption 0-10A or more with 10mA resolution. The meter is a perfect addition to any power supply, battery chargers and other electronic projects where voltage and current must be monitored. The meter uses PIC16F876A microcontroller with 16x2 backlighted LCD. |
|
|
|
60MHz Frequency Meter / Counter
Frequency Meter / Counter measures frequency from 10Hz to 60MHz with 10Hz resolution. It is a very useful bench test equipment for testing and finding out the frequency of various devices with unknown frequency such as oscillators, radio receivers, transmitters, function generators, crystals, etc. |
|
1Hz - 2MHz XR2206 Function Generator
1Hz - 2MHz XR2206 Function Generator produces high quality sine, square and triangle waveforms of high-stability and accuracy. The output waveforms can be both amplitude and frequency modulated. Output of 1Hz - 2MHz XR2206 Function Generator can be connected directly to 60MHz Counter for setting precise frequency output. |
|
|
|
BA1404 HI-FI Stereo FM Transmitter
Be "On Air" with your own radio station! BA1404 HI-FI Stereo FM Transmitter broadcasts high quality stereo signal in 88MHz - 108MHz FM band. It can be connected to any type of stereo audio source such as iPod, Computer, Laptop, CD Player, Walkman, Television, Satellite Receiver, Tape Deck or other stereo system to transmit stereo sound with excellent clarity throughout your home, office, yard or camp ground. |
|
USB IO Board
USB IO Board is a tiny spectacular little development board / parallel port replacement featuring PIC18F2455/PIC18F2550 microcontroller. USB IO Board is compatible with Windows / Mac OSX / Linux computers. When attached to Windows IO board will show up as RS232 COM port. You can control 16 individual microcontroller I/O pins by sending simple serial commands. USB IO Board is self-powered by USB port and can provide up to 500mA for electronic projects. USB IO Board is breadboard compatible. |
|
|
|
|
ESR Meter / Capacitance / Inductance / Transistor Tester Kit
ESR Meter kit is an amazing multimeter that measures ESR values, capacitance (100pF - 20,000uF), inductance, resistance (0.1 Ohm - 20 MOhm), tests many different types of transistors such as NPN, PNP, FETs, MOSFETs, Thyristors, SCRs, Triacs and many types of diodes. It also analyzes transistor's characteristics such as voltage and gain. It is an irreplaceable tool for troubleshooting and repairing electronic equipment by determining performance and health of electrolytic capacitors. Unlike other ESR Meters that only measure ESR value this one measures capacitor's ESR value as well as its capacitance all at the same time. |
|
Audiophile Headphone Amplifier Kit
Audiophile headphone amplifier kit includes high quality audio grade components such as Burr Brown OPA2134 opamp, ALPS volume control potentiometer, Ti TLE2426 rail splitter, Ultra-Low ESR 220uF/25V Panasonic FM filtering capacitors, High quality WIMA input and decoupling capacitors and Vishay Dale resistors. 8-DIP machined IC socket allows to swap OPA2134 with many other dual opamp chips such as OPA2132, OPA2227, OPA2228, dual OPA132, OPA627, etc. Headphone amplifier is small enough to fit in Altoids tin box, and thanks to low power consumption may be supplied from a single 9V battery. |
|
|
|
|
|
Arduino Prototype Kit
Arduino Prototype is a spectacular development board fully compatible with Arduino Pro. It's breadboard compatible so it can be plugged into a breadboard for quick prototyping, and it has VCC & GND power pins available on both sides of PCB. It's small, power efficient, yet customizable through onboard 2 x 7 perfboard that can be used for connecting various sensors and connectors. Arduino Prototype uses all standard through-hole components for easy construction, two of which are hidden underneath IC socket. Board features 28-PIN DIP IC socket, user replaceable ATmega328 microcontroller flashed with Arduino bootloader, 16MHz crystal resonator and a reset switch. It has 14 digital input/output pins (0-13) of which 6 can be used as PWM outputs and 6 analog inputs (A0-A5). Arduino sketches are uploaded through any USB-Serial adapter connected to 6-PIN ICSP female header. Board is supplied by 2-5V voltage and may be powered by a battery such as Lithium Ion cell, two AA cells, external power supply or USB power adapter. |
|
200m 4-Channel 433MHz Wireless RF Remote Control
Having the ability to control various appliances inside or outside of your house wirelessly is a huge convenience, and can make your life much easier and fun. RF remote control provides long range of up to 200m / 650ft and can find many uses for controlling different devices, and it works even through the walls. You can control lights, fans, AC system, computer, printer, amplifier, robots, garage door, security systems, motor-driven curtains, motorized window blinds, door locks, sprinklers, motorized projection screens and anything else you can think of. |
|
|
|
|