|
|
| Schematics >>
Stepper Motors |
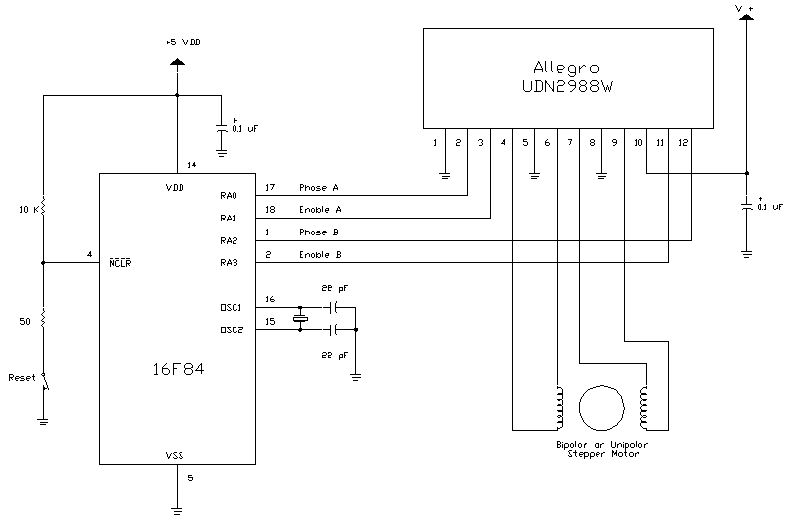
Stepper Motor Controller
Stepper motor driver that will allow you to precisely control a unipolar stepper motor through your computer's parallel port. With a stepper motor you can build a lot of interesting gadgets such as robots, elevator, PCB drilling mill, camera panning system, automatic fish feeder, etc. If you have never worked with stepper motors before you will surely have a lot of fun with this project.

Stepper Motor Driver
Stepper motors are everywhere in electronics these days. There are two main types of stepper motors:
1. Bipolar motors. These have two coils and are controlled by changing the direction of the current flow through the coils in the proper sequence. These motors have only four wires and cannot be connected to this kit. See our Kit 1406 for a Bipolar Stepper driver Kit.
2. Unipolar motors. These have two center-tapped coils which are treated as four coils. These motors can have five, six or eight wires. Five-wire motors have the two center-taps commoned internally and brought out as one wire (Fig 1). Six-wire motors bring out each center-tap separately. The two center-taps need to be commoned externally (Fig 2). Eight-wire motors bring out both ends of each coil. The four “center-taps” are joined externally to form one wire. In each case the center-tap(s) are connected to a positive motor power supply. Unipolar motors may be connect as bipolar ones by not using the ‘+’ wires.
A stepper motor has no brushes or contacts. It is basically a synchronous motor with the magnetic field electronically switched to rotate the armature magnet around.
The Internet is where to get all the explanation about steppers. Just google ‘stepper motor’ and you will find tens of sites. In particular, look for ‘Jones on Stepper motors’ (it comes up top of the list when I did it just now) and read it. If you look at the other references you will find that the circuit in this kit has been around for many years in various forms. The latest publication was in Silicon Chip, 5/2002, and I have based this circuit on it.

1000W AC Motor Speed Controller
This triac based AC motor speed controller circuit is designed for controlling the speed of AC motors like drill machines, fans, vacuums, etc. The speed of the motor can be controlled by changing the setting of R1 potentiometer. The setting of R1 determines the phase of the trigger pulse that fires the triac. The circuit incorporates a self stabilizing technique that maintains the speed of the motor even when it is loaded.

6-Transistor H-bridge
This is the six transistor "Tilden style" H-bridge; while not as old as the original "basic H-bridge," this goes "way back," and is the basis for many BEAM driver circuits
* Up to 800 mA capacity (using PN2222 and PN2907 transistors)
* 30 connections per bridge (so, 30 holes if you make a PCB)
* Not "smoke-proof" (i.e., it can't handle drive voltage in both directions at once)

Basic Stepping Motor Control Circuits
This section of the stepper tutorial deals with the basic final stage drive circuitry for stepping motors. This circuitry is centered on a single issue, switching the current in each motor winding on and off, and controlling its direction. The circuitry discussed in this section is connected directly to the motor windings and the motor power supply, and this circuitry is controlled by a digital system that determines when the switches are turned on or off.

Bidirectional H-Bridge DC-Motor Motion Controller
In applications requiring absolute accuracy in the speed control of dc servo motors, there’s no substitute for the traditional tachometer-based feedback loop. But for somewhat less demanding situations, adequate accuracy often can be achieved without the complication and expense of a tach. This can be done by taking advantage of the built-in electromechanical constants of the motor itself.

Control stepping motor via USB interface
This is an example that demonstration how to control some devices via USB interface.The PC software program with delphi.
Feature:
- CPU PIC18F4550 with full speed USB interface at 48MHz.
- USB 2.0 compliance
- Use on-chip USB driver
- Control 1 stepping motor.
- MPLAB C18 for firmware at USB devices side.
- Delphi 6 for PC Host software.
USB devices side
Figure 1. is the schematic for this example.PIC18F4550 is the main devices that communicate with PC and control stepping motor. The power supply came from +5V Vbus for circuit except +Vmotor which must use external power supply that depend on stepping motor requires. If you add more components into circuit that drawn total current more than 250mA you should be use +5V external power supply instead Vbus.Becuase Vbus can supplies current not more than 250mA and don't forgot to disconnect Vbus out of circuit.

Control stepping motor via USB interface
This is an example that demonstration how to control some devices via USB interface.The PC software program with delphi.
Feature :
- CPU PIC18F4550 with full speed USB interface at 48MHz.
- USB 2.0 compliance
- Use on-chip USB driver
- Control 1 stepping motor.
- MPLAB C18 for firmware at USB devices side.
- Delphi 6 for PC Host software.

Driving Bipolar Stepper Motors
Stepper motors are devices, which convert electrical impulses into discrete mechanical rotational movements. In a typical stepper motor, power is applied to two coils. Two stator cups formed around each of these coils, with pole pairs mechanically offset by ½ a pole pitch, become alternately energized North and South magnetic poles. Between the two stator-coil pairs the offset is ¼ of a pole pitch.

Driving CDROM Stepper Motor with Arduino
H-bridge is frequently used to control DC motors and stepper motors. When controlling a bipolar stepper motor, two full H-bridges are needed. There are many H-bridge ICs (like L298, MPC17529 and SN754410 which is a quad half H-bridge) for just that purpose. But if you are on a budget, you may want to consider building a dual H-bridge yourself. The following schematic shows a simple dual H-bridge using eight general purpose transistors (2N3904 and 2N3906). Given the maximum current of roughly 200mA, this circuit can be used to drive a small bipolar stepper motor operating between 5V and 12V, such as the stepper motors found in most floppy drives and CD / DVD drives.

|
|
|
| |
Accurate LC Meter
Build your own Accurate LC Meter (Capacitance Inductance Meter) and start making your own coils and inductors. This LC Meter allows to measure incredibly small inductances making it perfect tool for making all types of RF coils and inductors. LC Meter can measure inductances starting from 10nH - 1000nH, 1uH - 1000uH, 1mH - 100mH and capacitances from 0.1pF up to 900nF. The circuit includes an auto ranging as well as reset switch and produces very accurate and stable readings. |
|
PIC Volt Ampere Meter
Volt Ampere Meter measures voltage of 0-70V or 0-500V with 100mV resolution and current consumption 0-10A or more with 10mA resolution. The meter is a perfect addition to any power supply, battery chargers and other electronic projects where voltage and current must be monitored. The meter uses PIC16F876A microcontroller with 16x2 backlighted LCD. |
|
|
|
60MHz Frequency Meter / Counter
Frequency Meter / Counter measures frequency from 10Hz to 60MHz with 10Hz resolution. It is a very useful bench test equipment for testing and finding out the frequency of various devices with unknown frequency such as oscillators, radio receivers, transmitters, function generators, crystals, etc. |
|
1Hz - 2MHz XR2206 Function Generator
1Hz - 2MHz XR2206 Function Generator produces high quality sine, square and triangle waveforms of high-stability and accuracy. The output waveforms can be both amplitude and frequency modulated. Output of 1Hz - 2MHz XR2206 Function Generator can be connected directly to 60MHz Counter for setting precise frequency output. |
|
|
|
BA1404 HI-FI Stereo FM Transmitter
Be "On Air" with your own radio station! BA1404 HI-FI Stereo FM Transmitter broadcasts high quality stereo signal in 88MHz - 108MHz FM band. It can be connected to any type of stereo audio source such as iPod, Computer, Laptop, CD Player, Walkman, Television, Satellite Receiver, Tape Deck or other stereo system to transmit stereo sound with excellent clarity throughout your home, office, yard or camp ground. |
|
USB IO Board
USB IO Board is a tiny spectacular little development board / parallel port replacement featuring PIC18F2455/PIC18F2550 microcontroller. USB IO Board is compatible with Windows / Mac OSX / Linux computers. When attached to Windows IO board will show up as RS232 COM port. You can control 16 individual microcontroller I/O pins by sending simple serial commands. USB IO Board is self-powered by USB port and can provide up to 500mA for electronic projects. USB IO Board is breadboard compatible. |
|
|
|
|
ESR Meter / Capacitance / Inductance / Transistor Tester Kit
ESR Meter kit is an amazing multimeter that measures ESR values, capacitance (100pF - 20,000uF), inductance, resistance (0.1 Ohm - 20 MOhm), tests many different types of transistors such as NPN, PNP, FETs, MOSFETs, Thyristors, SCRs, Triacs and many types of diodes. It also analyzes transistor's characteristics such as voltage and gain. It is an irreplaceable tool for troubleshooting and repairing electronic equipment by determining performance and health of electrolytic capacitors. Unlike other ESR Meters that only measure ESR value this one measures capacitor's ESR value as well as its capacitance all at the same time. |
|
Audiophile Headphone Amplifier Kit
Audiophile headphone amplifier kit includes high quality audio grade components such as Burr Brown OPA2134 opamp, ALPS volume control potentiometer, Ti TLE2426 rail splitter, Ultra-Low ESR 220uF/25V Panasonic FM filtering capacitors, High quality WIMA input and decoupling capacitors and Vishay Dale resistors. 8-DIP machined IC socket allows to swap OPA2134 with many other dual opamp chips such as OPA2132, OPA2227, OPA2228, dual OPA132, OPA627, etc. Headphone amplifier is small enough to fit in Altoids tin box, and thanks to low power consumption may be supplied from a single 9V battery. |
|
|
|
|
|
Arduino Prototype Kit
Arduino Prototype is a spectacular development board fully compatible with Arduino Pro. It's breadboard compatible so it can be plugged into a breadboard for quick prototyping, and it has VCC & GND power pins available on both sides of PCB. It's small, power efficient, yet customizable through onboard 2 x 7 perfboard that can be used for connecting various sensors and connectors. Arduino Prototype uses all standard through-hole components for easy construction, two of which are hidden underneath IC socket. Board features 28-PIN DIP IC socket, user replaceable ATmega328 microcontroller flashed with Arduino bootloader, 16MHz crystal resonator and a reset switch. It has 14 digital input/output pins (0-13) of which 6 can be used as PWM outputs and 6 analog inputs (A0-A5). Arduino sketches are uploaded through any USB-Serial adapter connected to 6-PIN ICSP female header. Board is supplied by 2-5V voltage and may be powered by a battery such as Lithium Ion cell, two AA cells, external power supply or USB power adapter. |
|
200m 4-Channel 433MHz Wireless RF Remote Control
Having the ability to control various appliances inside or outside of your house wirelessly is a huge convenience, and can make your life much easier and fun. RF remote control provides long range of up to 200m / 650ft and can find many uses for controlling different devices, and it works even through the walls. You can control lights, fans, AC system, computer, printer, amplifier, robots, garage door, security systems, motor-driven curtains, motorized window blinds, door locks, sprinklers, motorized projection screens and anything else you can think of. |
|
|
|
|